СМЕЛКОВ Вячеслав Михайлович, кандидат технических наук, доцент
МЕТОД ПОВЫШЕНИЯ РАЗРЕШАЮЩЕЙ СПОСОБНОСТИ ТЕЛЕКАМЕРЫ ДЛЯ КРИМИНАЛИСТИЧЕСКОЙ ДИАГНОСТИКИ
Благодаря неразрушающему характеру считывания информации и удобству ее предоставления человеку-потребителю, телевизионному методу отдается предпочтение при проведении разнообразных криминалистических исследований.
Важнейшее звено аппаратных телевизионных средств, предназначенных для решения этих задач – телекамера, которая (с позиции информационной теории связи, в информационном треугольнике “объект – сигнал – человек”), являясь источником видеосигнала, потенциально может обеспечить максимальное количество создаваемой видеоинформации при согласовании скорости ее формирования со скоростями предложения, передачи и приема информации другими составными частями телевизионной системы. Очевидно, что скорость предложения информации определяет “природная” часть физической модели телевизионной системы, которая включает объекты контроля совместно с источниками излучения или осветителями.
Рост количества информации на выходе телекамеры всегда сопровождается борьбой за повышение ее “вечных” параметров: чувствительности и разрешающей способности. Последний параметр определяет четкость формируемого камерой телевизионного изображения.
В настоящей статье анализируется метод увеличения разрешающей способности телекамеры, выполненной на базе двух ПЗС-матриц и работающей в малокадровом режиме разложения, для которого скорости развертки и, соответственно, темп сигнала изображения значительно медленнее, чем в вещательном стандарте по ГОСТ 7845-92. Малокадровый видеосигнал на выходе телекамеры имеет стандартный формат кадра (4/3) и увеличенное вдвое за счет электронной “сшивки” число фоточувствительных элементов в строке, обеспечивающее двукратное повышение разрешающей способности по горизонтали.
Мерой разрешающей способности телекамеры является число фоточувствительных элементов (пикселов) матричного фотоприемника на ПЗС, который осуществляет дискретизацию входного оптического изображения по двум пространственным координатам и времени.
Роль числа пикселов в телевизионном изображении была подчеркнута основоположником электронного телевидения В.К. Зворыкиным, который сформулировал принцип достаточности точности при передаче видеоинформации. Согласно этому принципу, с которым согласны и современные телевизионщики [1], число пикселов должно быть и не слишком большим, и не слишком малым. При чрезмерно большом числе пикселов и ограниченной площади фотомишени изображение “тонет” в фотонном шуме, а при слишком малом резко сокращается число различимых образов.
В случае различения известного заранее объекта число пикселов, приходящееся на его линейный размер, должно быть не меньше определенного числа по классификации, например по критерию Джонсона [2, с. 492].
К сожалению, априорная неопределенность для наблюдаемых телекамерой объектов, которая усугубляется неинвариантностью отклика ПЗС-фотоприемника к сдвигу входного изображения, приводит к отсутствию универсального требования к разрешающей способности телекамеры.
Для объектов криминалистической диагностики справедливо утверждение, что они являются предметами с высокой плотностью расположения отдельных компонентов, но находящиеся в статичном состоянии. Например, такими предметами являются письменные документы, исследованию в которых подлежат в первую очередь их реквизиты (записи, оттиски печатей и штампов, машинописные тексты, пометки и пр.); материалы, из которых они выполнены (бумага, краски, клеи и пр.); следы, оставленные орудиями письма и иными приспособлениями (печатями, штампами, полиграфическими машинами и т.п.); остатки травящих веществ, использованных для удаления текста, и др. [3]. Телекамера при этом должна обеспечивать прежде всего формирование максимально неискаженной видеоинформации для последующего ее ввода в компьютер.
Теоретически и практически доказано в [4, с. 60], что наиболее выгоден по критерию максимума отношения сигнал/шум для таких объектов малокадровый, а не вещательный режим разложения в телекамере на ПЗС.
Применение нескольких ПЗС-фотоприемников и электронная “сшивка” изображений для увеличения разрешающей способности телекамеры встречается в литературе неоднократно. Так, согласно американскому патенту [5] в телекамере используются две матрицы ПЗС, имеющие зазоры между пикселами. Оптическое светоделение выполняется оптическим блоком, содержащим объектив и два зеркала, оно из которых полупрозрачное, а другое отражающее. При этом взаимное пространственное положение матриц ПЗС устанавливается таким образом, что пикселы первой матрицы ПЗС смещены по горизонтали относительно второй матрицы ПЗС на половину ширины одного пиксела. Данная телекамера потенциально обеспечивает повышение разрешающей способности по горизонтали вдвое по сравнению с телекамерой на одной матрице ПЗС, однако при практической ее реализации возникает проблема поддержания высокой точности относительного смещения двух ПЗС. Кроме этого, наличие обязательных зазоров между элементами в матрицах ПЗС вызывает потери светового потока, а, следовательно, уменьшение чувствительности телекамеры.
В другой телекамере [6] при помощи волоконно-оптического преобразователя производится разделение входного оптического изображения по горизонтали на две части в соответствии с геометрическими размерами фотомишени матрицы ПЗС. Достоинством этого метода является исключение требования о необходимости зазоров между пикселами для ПЗС-матриц, однако его существенным недостатком является изменение формата выходного изображения по сравнению с форматом фотомишени матрицы ПЗС в соотношении 2:1
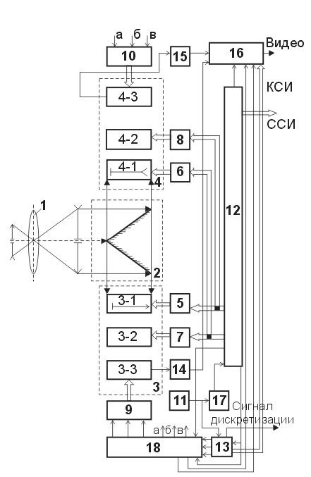
Ниже предлагается техническое решение малокадровой телекамеры, выполненной на базе двух ПЗС-матриц. Для этой телекамеры число пикселов в видеосигнале строки равно суммарному числу элементов в горизонтальных регистрах ПЗС, а формат кадра совпадает с форматом фотомишени отдельно взятого ПЗС и является стандартным (4/3). Структурная схема телекамеры, устройство которой признано изобретением [7], показана на рис. 1.

Рис. 1. Структурная схема малокадровой телевизионной камеры согласно изобретению [7]
Она содержит анаморфотный объектив (1); светоделитель (2); две матрицы ПЗС (3) и (4); преобразователи уровней (5), (6), (7), (8), (9) и (10); задающий генератор (11); синхрогенератор (12); формирователи импульсов (13) и (18); буферные видеоусилители (14) и (15); сумматор (16); делитель на два (17).
Существенными отличиями телекамеры является использование анаморфотного объектива и светоделителя призменного типа.
Анаморфотный объектив предназначен для изменения масштаба оптического изображения в одном направлении. В настоящем решении коэффициент анаморфирования объектива (1) по горизонтали равен 0,5 [8].
Светоделитель (2) обеспечивает деление изображения с выхода объектива (1) на две половины с границей по вертикали, направляя их на фотомишени матриц ПЗС.
Матрицы ПЗС (3) и (4) однотипны и могут иметь схемотехническую организацию “кадровый перенос” или “строчно-кадровый перенос”. В настоящем решении принята широко распространенная в нашей стране для серийных ПЗС-матриц трехфазная организация “кадровый перенос”. Частота опроса пикселов в горизонтальных регистрах обоих фотоприемников вдвое выше по сравнению с темпом управления в телекамере на единственном ПЗС. Но т.к. режим разложения в предлагаемой камере малокадровый, эта новая частота остается существенно ниже частоты поэлементного считывания ПЗС при его работе в вещательном стандарте. Поэтому практически дополнительных погрешностей в видеосигнал это повышение скорости вывода зарядовых элементов не внесет.
Рассмотрим работу предлагаемой двухматричной телекамеры. Изображение наблюдаемой сцены проецируется через анаморфотный объектив (1) и светоделитель (2) на фотомишени матриц ПЗС (3) и (4). Коэффициент анаморфирования объектива (1) по полю кадра равен 0,5. Тогда правая половина растянутого вдвое по горизонтали оптического изображения объекта контроля оказывается на фотомишени (3-1) первой матрицы ПЗС, а левая половина изображения объекта тоже растянутого вдвое по горизонтали – на фотомишени второй матрицы.
Задающий генератор (11) работает на частоте вдвое выше, чем в телекамере, выполненной на одной ПЗС-матрице. С другой стороны, делитель на два (17) обеспечивает функционирование синхрогенератора (12) без изменения сетки частот.
В обеих матрицах ПЗС в темпе малокадрового разложения в течение прямого хода кадровой развертки происходит преобразование оптических изображений на фотомишенях (3-1) и (4-1) в зарядовые изображения, а далее синхронный перенос зарядовых пакетов кадров во время обратного хода соответственно в секцию (3-2) и в секцию (4-2).
В течение прямого хода кадровой развертки последующего кадра выполняется поочередное считывание зарядовых пакетов из секции (3-2) в выходной регистр (3-3) и из секции (4-2) в регистр (4-3). При этом во время первой половины активной части каждой строки кадра считывается с удвоенной скоростью зарядовая строка секции (3-2), а во время второй половины активной части строки – с той же удвоенной скоростью зарядовая строка секции (4-2). Отметим, что необходимое управление работой ПЗС-регистров (3-3) и (4-3) осуществляется при помощи блоков (11), (13), (18), а также функционирующих с удвоенной частотой элемента преобразователей уровней (ПУ9) и (ПУ10). Благодаря этому, видеосигналы на выходах обеих матриц ПЗС содержат видеоинформацию с восстановленным (неискаженным) масштабом для правой и левой половин объекта контроля.
Далее через буферные видеоусилители (14) и (15) видеосигналы с ПЗС поступают на сумматор (16), где выполняется процедура их предварительной обработки и “сшивка”. Структурная схема сумматора (16) представлена на рис. 2.

Рис. 2. Структурная схема сумматора согласно изобретению [9]
19, 20, 23 – блоки фиксации уровня; 21 – блок выборки со “сшивкой”; 22 –аналоговый умножитель; 24 – буферный видеоусилитель
Сумматор (16) выполняет следующие функции:
- восстановление постоянной составляющей для видеосигнала первого канала;
- восстановление постоянной составляющей для видеосигнала второго канала;
- выделение в видеосигналах каждого из каналов участков видеоинформации в пределах каждого элемента изображения и его запоминания на период элемента;
- объединение (“сшивка”) двух видеосигналов с устранением эффекта перепада уровня фиксации;
- выравнивание коэффициентов усиления видеосигналов в каждом канале и балансировка;
- восстановление постоянной составляющей для объединенного видеосигнала;
- буферное преобразование объединенного видеосигнала для работы на низкоомную нагрузку.
Техническое решение сумматора (16) может быть выполнено согласно изобретению [9]. В результате на выходе “Видео” сумматора (16), а следовательно и телекамеры, формируется малокадровый видеосигнал с форматом кадра фотоприемника на ПЗС и увеличенным вдвое числом элементов разложения по горизонтали.
Очевидно, что для предлагаемой телекамеры разрешающая способность по горизонтали (N x) в телевизионных линиях может быть определена по соотношению:
N x = (М1 + М2 ) х 1/к,
где
М1, М2 – число пикселов в строке для первой и второй ПЗС-матриц;
к – формат кадра (4/3).
Для современных ПЗС-матриц типового разрешения М1 = М2 = 500. Тогда N x = 750 тел. лин.
Если в качестве фотоприемников взять ПЗС-матрицы с увеличенным разрешением, то М1 = М2 = 760. В этом случае N x = 1140 тел. лин.
Литература
1. Никитин В.В., Цыцулин А.К. Телевидение в системах физической защиты: СПбГЭТУ “ЛЭТИ”, 2001.
2. Полупроводниковые формирователи сигналов изображения. Под ред. П. Йесперса, Ф. Ван де Виле, М. Уайта. “Мир”, 1979.
3. Кекин А.Г. и [др.]. Аппаратурные средства проверки подлинности документов на основе оптического метода неразрушающего контроля.//Специальная техника, 2003, №2, с.30 – 40.
4. Хромов Л.И. и [др.].Твердотельное телевидение. М. “Радио и связь”, 1986.
5. Патент США №4038690, H04N 3/14, кл.358/213; 357/24; 357/30. Система формирования видеосигнала на ПЗС. Опубл. 26.07.78
6. Заявка Франции №2476949, H04N 5/32; H05G 1/60, 1/64. Устройство для получения телевизионных изображений с помощью матриц с зарядовой связью и передающая система с подобным устройством. Опубл. 28.08.81.
7. Решение о выдаче патента РФ на изобретение по заявке №93047421/09(045521) от 21.09.93. МКИ6 H04N 3/14, 5/335.Малокадровая телевизионная камера на приборах с зарядовой связью./В.М. Смелков. Заявитель – ФГУП НИИ ПТ “Растр”.
8. Карты анаморфотных насадок и блоков для съемки широкоэкранных фильмров./Обзор киносъемочных объективов отечественного и зарубежного производства для съемки обычных, широкоэкранных, широкоформатных и 16-мм кинофильмов. Составлен под ред. Ф.С. Новика. Москва, 1969, с.165.
9. Патент США №4378571, H04N 3/14, 5/14, 5/20, кл.358/213; 358/160. Устройство обработки аналогового видеосигнала последовательного типа для ПЗС-фотоприемников. Опубл.29.03.81.
Статья опубликована на сайте: 12.04.2006

